AK-F SERIES is Panel-type analog Frequency
meter with suitable terminal cover. Scale is
almost linear (above 10% readings) with knife
edge pointer. Housing from polycarbonate to
tolerate high temperature.
| Parameter | Value |
| Operating Voltage | 140V-300V AC |
| Operating Frequency | 50 / 60 Hz |
| Operating Power | <6VA |
| Weight | <210Gr |
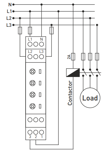
| Connection | 3-Phase + N |
| Protection Functions | Over/Under Voltage: Supply Voltage Phase Sequence: Phase Absence, Natural Absence |
| Over Voltage | 230V-300VAC |
| Under Voltage | 140V-210VAC |
| Delay Time | 0.1sec – 20sec |
| Reset Time | 0.1sec – 20sec |
| Display | 4 LEDs |
| Contact | 1NO+1NC |
| 5A/250VAC | |
| Protection Class | IP20 |
| Connection Type | Terminal Connection |
| Cable Diameter | Max1.5mm² |
| Mounting | DIN Rail Mounting |
| Working Altitude | <2000 meter |






