• 6 дисплеев одновременно
• Измеряет трёхфазное напряжение, ток и частоту
• Светодиодное оповещение последовательности фаз
• Корпус малой глубины для узких панелей
| ПАРАМЕТР | ЗНАЧЕНИЕ |
| Рабочее напряжение | 150-240 вольт перем. тока |
| Рабочая частота | 50/60 Гц |
| Рабочая мощность | < 6 ватт |
| Рабочая температура | от –20°C до +55°C |
| Входное напряжение (L-N) | 1 вольт – 300 вольт перем. тока |
| Диапазон измерения напряжения | 1 вольт – 300 вольт перем. тока (L-N) |
| 1вольт – 500 вольт перем. тока (L-L) | |
| Диапазон измерения тока | 50 миллиампер до 5,5 ампер |
| (для CT 5/5A до 5000/5A) | |
| Точность измерения | %±1 |
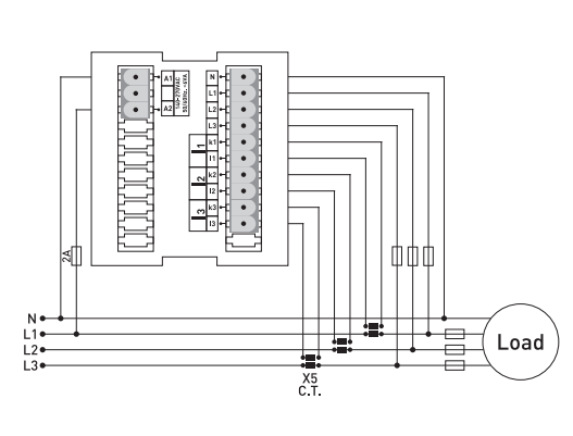
| Поддерживаемое подключение | 3P4W |
| Вес | < 325 г |
| Класс защиты | IP41 [передняя панель], IP20 [корпус] |
| Тип подключения | Вставная клемма |
| Диаметр кабеля | Максимум 2,5 мм² |
| Монтаж | На переднюю крышку панели |
| Отверстие в панели | 68mm x 68mm |
| Рабочая высота | < 2000 м |




